Chris Victor 
Engineering and Research Inc.
HomeAbout UsEngineering AnalysisDesignField ServiceResearchNewsContact Us

Contact Us
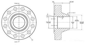
At CVER, we have capabilities of performing code calculations including ASME and API codes. Our engineers have over 10 years of code design experience. We can apply commercial software such as PV Elite and Codecalc. We also develope our own calculation spreadsheet.

If you have any questions regarding our service or would like more information, please contact us:
High quality and 100% customer satisfaction are our top priorities.
Code Calculations at CVER
Galery